ABS się cosi sknocił.

Awatar użytkownika
Sam
Posty: 471
Rejestracja: 2004-05-27 22:04
Samochód: Probe 96r, 2.0 16V
Galeria: viewtopic.php?t=17752
Lokalizacja: Sosnowiec

Re: ABS się cosi sknocił.

Post autor: Sam »

wiesz może być zaśniedziałe miejsce w którym jest przykręcona albo coś koło tego
Dziś Probe 2.0 16V 96r
Kiedyś Probe 2.2 GL 90r

Niech gra muzyka i gaz do dechy :D
Komu w drogę temu pedał w podłogę :]
Marcin G
Posty: 54
Rejestracja: 2009-07-11 11:43
Samochód: Probe II 2.0 94r. EUR

Re: ABS się cosi sknocił.

Post autor: Marcin G »

Więc jak mówiłem, w sobotę trochę poświęciłem czasu probe i co się okazało. Chciałem sprawdzić błędy, lampka od abs-u nie pokazała żadnej reakcji do odczytu błędów. Więc podłączyłem diodę led i dioda po włączeniu zapłonu świeci cały czas. To przeszedłem do przełożenia sterownika abs i nic nie pomogło, dalej to samo. A co najciekawsze to z odłączonym sterownikiem abs kontrolka pali się i przygasa tak samo. Szukać zwarcia w instalacji?? Czy może jakiś przekaźnik?
Sam poleciłeś mi ten schemat http://ford-probe.net/images/stories/El ... System.gif więc domyślam się że coś się na tym znasz więc zadam parę pytań i popraw mnie jak się mylę.
ABS MAIN RELAY to jakiś przekaźnik? Ponieważ widzę tam przekaźnik pompy(pomp motor relay) I jakiś regulator (fail safe relay) który reguluje napięcie na elektrozaworach(solenoid valve). I zasila sterownik abs na 4pinie(ABS POWER INPUT)
ABS INDICATOR- To po prostu lampka od ABS?
Więc lampkę absu może zapalić sterownik po przez pin 14 lub ten regulator po przez pin 7 i nawet na to by wskazywała dioda półprzewodnikowa zastosowana po między pinem 7 a regulatorem(fail safe relay)dioda puszcza prąd z regulatora na lapkę od abs ale blokuje prąd w kierunku regulatora. Chyba że mi się kierunki diody pomyliły.
To by wyjaśniło to że lampka ABS się świeci nawet przy odłączonym sterowniku.
Awatar użytkownika
Sam
Posty: 471
Rejestracja: 2004-05-27 22:04
Samochód: Probe 96r, 2.0 16V
Galeria: viewtopic.php?t=17752
Lokalizacja: Sosnowiec

Re: ABS się cosi sknocił.

Post autor: Sam »

znam nie znam - napisałem ci co ja robiłem z ABS-em jestem z zawodu elektronikiem więc zawsze staram się sam znaleźć usterkę bo dodatkowo ojciec jest mechanikiem i znam mnóstwo warsztatów w których reklamują się że naprawiają elektronikę w samochodach a tak partaczą że w głowie się nie mieści.
Z moich eksperymentów też wynik że kontrolka się pali nawet po wyjęciu sterownika czyli to jest w porządku. Dalej po kolei ABS MAIN RELAY to jest jak nazwa wskazuje główny przekaźnik ABS IDICATOR to kontrolka czyli lampka od abs. Co do tego zapalania lampki to mniej więcej jest tak jak piszesz. Lampka ma dwa obwody - dlaczego ? próbowałem to wymyślić i nie bardzo wiem. Myślę że jest to jakieś zabezpieczenie przed włączeniem się ABSu gdy padnie ten główny przekaźnik. Czyli chodzi mi o to że jak wyjmiesz sterownik to lampka powinna się palić albo wyjmiesz sam przekaźnik lampka powinna się palić. Jak wyjmiesz oba elementy powinna zgasnąć.
Dobra co do usterki to znajdź i sprawdź ten przekaźnik główny od ABSuhttp://ford-probe.net/images/stories/El ... ne20-3.gif tu masz narysowane gdzie on jest jak się przypatrzysz to znajdziesz. Być może coś styki nie łączą dla tego fail safer relay. Ciężko mi powiedzieć co by się działo jakby się zwarła ta dioda - bo ten schemat dokładności nasa nie ma ;P najlepiej ją sprawdzić.
Dziś Probe 2.0 16V 96r
Kiedyś Probe 2.2 GL 90r

Niech gra muzyka i gaz do dechy :D
Komu w drogę temu pedał w podłogę :]
Marcin G
Posty: 54
Rejestracja: 2009-07-11 11:43
Samochód: Probe II 2.0 94r. EUR

Re: ABS się cosi sknocił.

Post autor: Marcin G »

A ja jestem elektronikiem, dopiero gdy trafiłem do serwisu samochodowego to dogonili mnie do elektryki samochodowej. Ale coś tam kumam i od razu poprawiam że to co miałem na myśli regulatorem to faktycznie przekaźnik. Już szukałem tego przekaźnika i jest on w tym miejscu co jest opisane tylko że jest tak jak by pod płytą bezpieczników i przekaźników i jest w gumowej osłonie o ile to jest on. Po jego wypięciu lampka dalej zachowuje się tak samo, i nie wiem czy dobrze zauważyłem ale po jego wypięciu po włączeniu zapłonu nie ma odgłosu przełączającego się przekaźnika. Ale jeszcze spróbuje wypiąć ten przekaźnik i sterownik razem tak jak mówisz. A jakie powiązanie ma alternator ze sterownikiem abs?
Dziś na serwisie coś się drukarka spier..., ale jutro postaram się jakoś wydrukować lub ściągnąć schemat z komputera w serwisie, są tam opisane wszystkie piny sterownika a jak na razie znam tylko numerki i są też opisane kolory kabli i chyba zacznę sprawdzać każdy kabelek osobno czy gdzieś nie ma zwarcia lub przerwania.
Awatar użytkownika
Sam
Posty: 471
Rejestracja: 2004-05-27 22:04
Samochód: Probe 96r, 2.0 16V
Galeria: viewtopic.php?t=17752
Lokalizacja: Sosnowiec

Re: ABS się cosi sknocił.

Post autor: Sam »

Powiem szczerze że nie wiem po co jest abs połączony z alternatorem - co do tego przekaźnika jak go już wyjmiesz to sprawdź w nim styki może mieć wypalone. Jeśli to nie ten stycznik to najprawdopodobniej jak przypuszczałeś jakieś zwarcie ;/ albo jakiś przetarty kabel. Pozdro
Dziś Probe 2.0 16V 96r
Kiedyś Probe 2.2 GL 90r

Niech gra muzyka i gaz do dechy :D
Komu w drogę temu pedał w podłogę :]
Awatar użytkownika
pawelc
Posty: 115
Rejestracja: 2006-04-26 15:30
Samochód: mazda mx-6 ,2,5v6,92r x2
Lokalizacja: Drawno zachodniopomorskie
Kontakt:

Re: ABS się cosi sknocił.

Post autor: pawelc »

w starszych rocznikach kontrolka gaśnie dopiero po odpaleniu -dlatego jest to podłączenie pod alternator

wrzuciłem schematy ABS-u u siebie na stronce -są one do mazdy mx-6 ,626 GE ale to ten sam system
http://www.mx6.owc.com.pl/forum./Thread-ABS-schematy
Marcin G
Posty: 54
Rejestracja: 2009-07-11 11:43
Samochód: Probe II 2.0 94r. EUR

Re: ABS się cosi sknocił.

Post autor: Marcin G »

Doszedłem co nieco ładu z tym abs-em. Ktoś przeciął ścieżkę w liczniku od lampki abs i podpiął lampkę pod ciśnienie oleju. Zrobiłem już wszystko tak jak powinno być z licznikiem. Teraz lampka wyświetla mi kody błędów wszystkich 4 czujników. Ale w dziwny sposób- lampka świeci cały czas i tylko zapala się jaśniej w momencie podawania kodu. Ale olałem to i sprawdziłem czujniki. Był walnięty przedni prawy. Po jego wymianie kontrolka wyświetla błędy prawidłowo czyli zapala się i gaśnie ale nadal mam błędy wszystkich czujników pomimo że są dobre :?
Awatar użytkownika
Luna
Posty: 297
Rejestracja: 2009-12-07 03:41
Samochód: v
Lokalizacja: Łódź

Re: ABS się cosi sknocił.

Post autor: Luna »

Podepnę się tu. Od kilku dni przeglądam forum i chyba przeczytałem każdy post o ABS-ie i stwierdzam, że nigdzie nie ma napisane jak zrobić reset kompa tego układu. Jedni piszą tak, inni tak, jeszcze inni wszystkiemu przeczą #-o Ogólnie o moim problemie teraz - Nie było ABSu, kontrolka świeciła się na stałe po odpaleniu ( widoczmnie przytarł się czujnik albo coś ) w każdym razie teraz jest, ale po włączeniu auta zamruga mi 4 razy kontrolka Anit Lock ( najwidoczniej zapamiętał błąd ) i potem jest spokój. Denerwuje mnie to więc chciałbym skasować tylko nie wiem jak. Czy jest ktoś kto to wcześniej robił, a nie wyczytał tylko na forum i swoimi słowami mi tu napisał? Będę wdzięczny za każdą sensowną uwagę.
Taka sytuacja...
Awatar użytkownika
Robert
Posty: 12613
Rejestracja: 2004-10-21 19:12
Samochód: Probe GT2.0'89; ForTwo 0.6turbo; HRV 1.6
Galeria: viewtopic.php?t=6900
Lokalizacja: Leszno (maz)
Kontakt:

Re: ABS się cosi sknocił.

Post autor: Robert »

Choć piszesz w temacie dot. innej generacji (zakładam, że w profilu masz aktualne dane), to procedura resetowania jest identyczna.
Nie czytałem "każdego postu", a skorzystałem z wyszukiwarki, ale opisana jest szczegółowo w tym wątku.
Luna pisze:chyba przeczytałem każdy post o ABS-ie
Chyba nie :roll:
Poświęć niecałe 2 minuty na naukę korzystania z forum: :arrow: Lekcja 1 (bardzo krótka) i :arrow: Lekcja 2 (krótka)
Obrazek ObrazekObrazek'89 2.0 Turbo downgrade
Awatar użytkownika
Luna
Posty: 297
Rejestracja: 2009-12-07 03:41
Samochód: v
Lokalizacja: Łódź

Re: ABS się cosi sknocił.

Post autor: Luna »

Odnośnik w Twoim tekście nie działa więc nie zobaczę niestety który wątek chciałeś przytoczyć. Owszem, są aktualne bo gdyby nie były to bym napisał poście o którą gen. chodzi. Hmm, takie same? Czyli jakie? Bo nawet nie jestem w stanie wyczytać ich jeśli chodzi o II.
Taka sytuacja...
Awatar użytkownika
Robert
Posty: 12613
Rejestracja: 2004-10-21 19:12
Samochód: Probe GT2.0'89; ForTwo 0.6turbo; HRV 1.6
Galeria: viewtopic.php?t=6900
Lokalizacja: Leszno (maz)
Kontakt:

Re: ABS się cosi sknocił.

Post autor: Robert »

Jaki odnośnik? :shock: W tym, w niniejszym, w tym, w którym piszesz. #-o
Poświęć niecałe 2 minuty na naukę korzystania z forum: :arrow: Lekcja 1 (bardzo krótka) i :arrow: Lekcja 2 (krótka)
Obrazek ObrazekObrazek'89 2.0 Turbo downgrade
Awatar użytkownika
Luna
Posty: 297
Rejestracja: 2009-12-07 03:41
Samochód: v
Lokalizacja: Łódź

Re: ABS się cosi sknocił.

Post autor: Luna »

Z tym odnośnikiem to poprostu źle zrozumiałem - myślałem,że podkreślenie będzie odnośnikiem. Ale to już jest najmniej istotne. Ja nadal nie widzę i nie wiem jak zresetować ten komputer... Chyba zaloże poprostu drugi.
Taka sytuacja...
Awatar użytkownika
Robert
Posty: 12613
Rejestracja: 2004-10-21 19:12
Samochód: Probe GT2.0'89; ForTwo 0.6turbo; HRV 1.6
Galeria: viewtopic.php?t=6900
Lokalizacja: Leszno (maz)
Kontakt:

Re:

Post autor: Robert »

|(*,)
Tez poprzegladalem ta servisowke pod katem ABS'u. Faktyczniei jest tam masa informacji, poczawszy od shematow, poprzez rozne rodzaje testow i na tabelach bledow konczac :)... A z tego co mi sie rzucilo w oczy to pisze ze komp ABS'u zawsze pamieta bledy po jakiejs ustarce i odlaczeniei akumulatora nic nie e daje. Trzeba zastosowac odpowiednia procedure resetowania. Pod fotelem kierowcy, gdzie znajduje sie modul ABS'u nalezy ... Nastepniei wyciagamy zworke. Ciekawa ta procedura :)...
Poświęć niecałe 2 minuty na naukę korzystania z forum: :arrow: Lekcja 1 (bardzo krótka) i :arrow: Lekcja 2 (krótka)
Obrazek ObrazekObrazek'89 2.0 Turbo downgrade
Awatar użytkownika
Luna
Posty: 297
Rejestracja: 2009-12-07 03:41
Samochód: v
Lokalizacja: Łódź

Re: ABS się cosi sknocił.

Post autor: Luna »

Tak jak mówiłem drogi Robercie - czytałem chyba wszystko i ten cytat też - zwróć uwagę, że "gość" dwa zdania dalej pisze, że to i tak nic nie dało więc po co miałem to robić? :?: Nie znam się, aż tak żeby grzebać w elektryce i nie chciałbym po prostu czegoś kurde spalić. Faktem jest jednak to iż komputer ABS'u zapamiętuje, że coś było. Abs'u nie ma tylko wtedy gdy coś jest nadal nie tak i wtedy świeci Anti-Lock na stałe. U najprawdopodobniej zabrudził się czujnik i nie było połączenia, dlatego mi wyłączył układ. Po paru min jazdy wrócił abs ale lampka już przy każdym włączeniu auta mrygała 4 razy. To tyle co do moich spostrzeżeń. Natomiast wyjąłem dziś ten niefartowny komputer i założyłem sobie drugi - 5 min roboty, 3 śrubki i już nic nie wyskakuje ( żaden Anti-Lock ) Jak zwykle dziękuję za zainteresowanie się moim postem i wszelką pomoc.
Taka sytuacja...
Awatar użytkownika
Robert
Posty: 12613
Rejestracja: 2004-10-21 19:12
Samochód: Probe GT2.0'89; ForTwo 0.6turbo; HRV 1.6
Galeria: viewtopic.php?t=6900
Lokalizacja: Leszno (maz)
Kontakt:

Re: ABS się cosi sknocił.

Post autor: Robert »

Luna pisze:Tak jak mówiłem drogi Robercie - czytałem chyba wszystko i ten cytat też - zwróć uwagę, że "gość" dwa zdania dalej pisze, że to i tak nic nie dało więc po co miałem to robić? :?:
Po to, że jest to prawidłowa metoda, opisana i w serwisówce, i na :arrow: performanceprobe.com

To, że jakiemuś gościowi ileś lat temu nie zgasło może znaczyć, że wciąż miał błędy - część jest diagnozowana i na postoju.
Poświęć niecałe 2 minuty na naukę korzystania z forum: :arrow: Lekcja 1 (bardzo krótka) i :arrow: Lekcja 2 (krótka)
Obrazek ObrazekObrazek'89 2.0 Turbo downgrade
rokfor
Posty: 25
Rejestracja: 2007-06-21 12:05
Samochód: probe2 '95 2,5
Lokalizacja: Elbląg

Re: ABS się cosi sknocił.

Post autor: rokfor »

Witam.
Chciałbym podpiąć się pod temat i zapytać czy ktoś już próbował zamontować czujnik abs od mazdy 626 (z tą plastikową "koronką") np. taki: http://allegro.pl/czujnik-abs-mazda-323 ... 09383.html, czy to działa?
Awatar użytkownika
Sam
Posty: 471
Rejestracja: 2004-05-27 22:04
Samochód: Probe 96r, 2.0 16V
Galeria: viewtopic.php?t=17752
Lokalizacja: Sosnowiec

Re: ABS się cosi sknocił.

Post autor: Sam »

Powiem ci tylko że próbowałem wyjąć stary wygląd jest taki sam na jakieś 90% uchwyty wydają się być takie same, nie pamiętam tylko jak wygląda wtyczka. Z elektrycznego punktu widzenia powinno działać większość, jak nie wszystkie czujniki abs wykorzystują tą samą zasadę działania. Więc jak tylko będą pasować będą działać. Ale możesz czekać na opinie kogoś kto to już zakładał.
Dziś Probe 2.0 16V 96r
Kiedyś Probe 2.2 GL 90r

Niech gra muzyka i gaz do dechy :D
Komu w drogę temu pedał w podłogę :]
Awatar użytkownika
avel
Posty: 466
Rejestracja: 2009-04-26 17:16
Samochód: Probe II 2.0 1994
Galeria: viewtopic.php?t=20438
Lokalizacja: Unisław, kujawsko-pomorskie

Re: ABS się cosi sknocił.

Post autor: avel »

Luna pisze:Podepnę się tu. Od kilku dni przeglądam forum i chyba przeczytałem każdy post o ABS-ie i stwierdzam, że nigdzie nie ma napisane jak zrobić reset kompa tego układu
Tak:
"Connect a jumper wire between the Test Brake System (TBS) pin and the Ground (GND) on the Data Link Connector. Connect the voltmeter as described above for reading the codes. Turn the ignition on. After the first code is repeated, press the brake pedal ten times at intervals of less then one second each. Turn the ignition off and remove the jumper wire."

Działa, dzisiaj sprawdzałem.
Można trochę inaczej, a mianowicie nie trzeba podpinać miernika, po prostu odczytujemy błędy za pomocą kontrolki i jak zaczną się powtarzać wciskamy pedał hamulca 10 razy w mniej jak 10 sekund wszystkie wciśnięcia.

Szukałem tej procedury bo też ABS mi się knoci, więc chciałem sprawdzić błędy, a ten wyświetlił 11, 12, 13, 24 i 61 czyli chyba wszystkie, jakie znał od początku, gdy auto jeździ :P Zresetowałem i jak pojeżdżę trochę to sprawdzę jeszcze raz. Może rozjaśni to nieco perspektywę.
Stare i zardzewiałe! Probe II 2.0 1994, było :(
Audi A3 2.0TDI 170km quattro 2007, jest
Awatar użytkownika
AliRS
Posty: 41
Rejestracja: 2007-06-16 16:08
Samochód: ProbeII 2.5 v6 93r US
Lokalizacja: Brzeg
Kontakt:

Re: ABS się cosi sknocił.

Post autor: AliRS »

Witam
ABS się świeci, ale nie wyświetla kody błędów dopinałem zworkę ... nic... następnie żarówkę i też nic ... ani mrugnie. Ma ktoś pomysł jak to rozwiązać?
Za dobre podpowiedzi dzięki.
Pozdrawiam
Probe II 2,5 24-V V6 USA 93 Automat + LPG
Awatar użytkownika
avel
Posty: 466
Rejestracja: 2009-04-26 17:16
Samochód: Probe II 2.0 1994
Galeria: viewtopic.php?t=20438
Lokalizacja: Unisław, kujawsko-pomorskie

Re: ABS się cosi sknocił.

Post autor: avel »

Jak zapala Ci się kontrolka? od razu po przekręceniu kluczyka czy jak ruszysz?
Ta pierwsza opcja wskazuje raczej na uszkodzony moduł ta druga na jakiś konkrety kody błędu. pozdro. Poczytaj tez tutaj http://ford-probe.net/forum/topics13/di ... vt6857.htm
Stare i zardzewiałe! Probe II 2.0 1994, było :(
Audi A3 2.0TDI 170km quattro 2007, jest
Awatar użytkownika
AliRS
Posty: 41
Rejestracja: 2007-06-16 16:08
Samochód: ProbeII 2.5 v6 93r US
Lokalizacja: Brzeg
Kontakt:

Re: ABS się cosi sknocił.

Post autor: AliRS »

Od razu po przekręceniu kluczyka się świeci.... gdzie, jest moduł ABS-u i jak go sprawdzić?
Probe II 2,5 24-V V6 USA 93 Automat + LPG
Awatar użytkownika
avel
Posty: 466
Rejestracja: 2009-04-26 17:16
Samochód: Probe II 2.0 1994
Galeria: viewtopic.php?t=20438
Lokalizacja: Unisław, kujawsko-pomorskie

Re: ABS się cosi sknocił.

Post autor: avel »

Moduł ABS znajduje się nad nogami kierowcy i jest to ten który najtrudniej wydłubać :P
Jeżeli świeci się lampka od początku to możliwe tez że padł przekaźnik ABS, jest to przekaźnik z dwoma niezależnymi sekcjami, jedna od sterowanie pompą a druga to wyłącznik bezpieczeństwa.
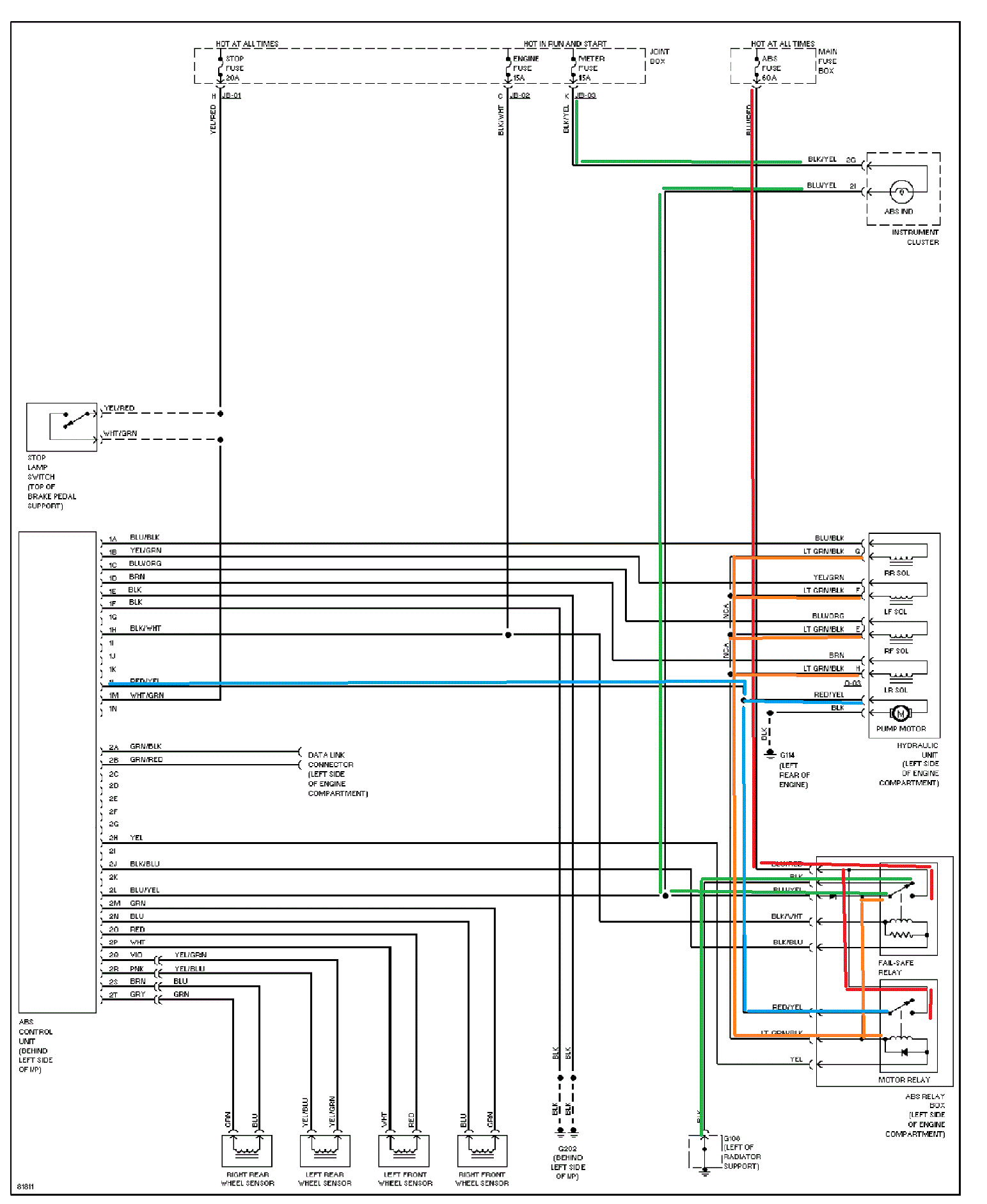
Poniżej postaram się nieco objaśnić jak to działa.
Na czerwonej linii cały czas jest 12V, które zaraz po starcie silnika jest załączane na linie pomarańczowe zasilające cewki i przekaźnik główny. Gdy ruszymy system sprawdza czy czujniki działają prawidłowo (pewnie też inne rzeczy są sprawdzane ale tego nie weryfikowałem), do jakichś 5km/h i jeżeli coś jest nie tak, to przekaźnik Fail-save zostaje zwolniony i odłącza zasilanie z cewek i przekaźnika głównego. Zapala się tez lampka (prąd płynie tak jak na liniach zielonych prosto przez lampkę)
Gdy wszystko jest OK. to system sprawdza so się dzieje na czujnikach obrotów przy kołach i w razie potrzeby uaktywnia główny przekaźnik co jednocześnie włącza pompę ABS, oczywiście steruje tez cewkami.
Czyli, jedyne co możesz zrobić to sprawdzić przekaźnik czy na pewno sekcja Fail-save działa, jeżeli działa to podmienić moduł ABS, ewentualnie otworzyć i obejrzeć czy coś nie zaśniedziało (zawsze można to podlutować)

Przepraszam ze objaśniałem na schemacie mazdy, dodaję tez schemat z Probe (kolory przewodów są inne, ale działa tak samo), pozdrawiam.
Załączniki
ABS mazda mx-6 objaśniony
ABS mazda mx-6 objaśniony
ABS mazda mx-6
ABS mazda mx-6
ABS Probe
ABS Probe
Stare i zardzewiałe! Probe II 2.0 1994, było :(
Audi A3 2.0TDI 170km quattro 2007, jest
Awatar użytkownika
Spider33
Posty: 1247
Rejestracja: 2008-01-05 12:23
Samochód: Probe x ∞
Galeria: viewtopic.php?t=20740
Lokalizacja: Skarżysko-Kamienna

Re: ABS się cosi sknocił.

Post autor: Spider33 »

Juz ponad rok jeździłem z wymontowanym modułem abs. Problemy zaczęły się od załączania pompy przy małych prędkościach. Sprawdziłem kody i wyskoczyło mi parę błędów, w tym błąd komputera ABS. Wyjąłem go przelutowalem miejsce z utlenionym lutem i było ok przez pewien czas. Później zaczęło pokazywać błąd nr 14. Wymontowałem całkowicie moduł i tak jeździłem. :evil: Dzisiaj sprawdzając okazało się ze pokazuje błąd 15. Zrobiłem kilkanaście km i dalej pokazuje ten błąd. Co ciekawe nie mogę w ogolę zrobić resetu. Komputer nie reaguje tylko ciągle błędy wyświetla. Najdziwniejsze jest to ze na początku kontrolka podczas sprawdzania błędów zapalała się i gasła całkowicie. Teraz zapala się mocniej pokazując błędy ale podczas przerw nie gaśnie w ogolę... Jakieś rady?
Awatar użytkownika
derek
Posty: 345
Rejestracja: 2008-02-03 13:12
Samochód: Probe 2.0 16V
Galeria: viewtopic.php?t=14135
Lokalizacja: Tarnów (Małopolska)

Re: ABS się cosi sknocił.

Post autor: derek »

mi wywalalo błąd 14 i ABS dzialal ciągle przy niskich prędkościach , przelutowanie lutów przy 4 kondensatorkach (na probe.net znajdziesz opis z fotkami) rozwiązalo problem. skoro przez jakis czas po reperacji komputerka ABS miales OK to moze zrób to jeszcze raz ale dokładniej, tam jest ciasno na ściezkach i sam mialem problem zeby precyzyjnie trafic lutownicą... No chyba ze uszkodziles sterownik przy lutowaniu to juz tylko używka za jakies 100zl.
Probe 2.0 , rocznik`95 (wg VIN `94), wersja HIGHLIGHT
Awatar użytkownika
avel
Posty: 466
Rejestracja: 2009-04-26 17:16
Samochód: Probe II 2.0 1994
Galeria: viewtopic.php?t=20438
Lokalizacja: Unisław, kujawsko-pomorskie

Re: ABS się cosi sknocił.

Post autor: avel »

Jak chcemy deaktywować ABS to lepszym rozwiązaniem jest wyciągnięcie przekaźnika (a na pewno szybszym :P bo bez gimnastyki) objaw masz dziwny. Stawiam raczej na uszkodzony moduł, to wygląda jak jakieś delikatne zwarcie więc może to przekaźnik w. Wyjmij go i sprawdź błędy jeszcze raz. Nigdy nie próbowałem sprawdzać z wyciągniętym przekaźnikiem ale teoretycznie to powinno być możliwe.
Stare i zardzewiałe! Probe II 2.0 1994, było :(
Audi A3 2.0TDI 170km quattro 2007, jest
ODPOWIEDZ

Wróć do „II gen (1993 - 1997)”