sebatox
- infernoblade
- Klubowicz
- Posty: 1278
- Rejestracja: 2013-10-03 20:04
- Samochód: Ford Probe II 2.0 16v 94r. USDM, Probe II 2.0 94r rost style
- Galeria: viewtopic.php?t=21646
- Lokalizacja: Bielsko-Biała, Śląsk
Re: sebatox
Fajnie, że działasz, ale kolor jak dla mnie nie trafiony
Ale to moje zdanie, najważniejsze,że tobie się podoba 
''Nic nie motywuje nas tak, jak ludzie, którzy w nas nie wierzą''
Posiadam części na sprzedaż II generacja 2.0 USA
Fiat 126p 92' Rosso Swift- był
Citroen Ax 92' Rouge Opera- był
Daihatsu Applause 93' PURE RED- był
Ford Probe 94' EU/USA Rio Red teraz Tangerine Frost Metalic- jest
Ford Probe 96' USA Laser Red - był
Peugeot 106 96' Laser Green. Metallic Lacquer- był
Ford Probe 94' EU Royal blue- był
Ford Probe 94' USA Black- był
Ford Probe 94' EU Rio Red- jest
Posiadam części na sprzedaż II generacja 2.0 USA
Fiat 126p 92' Rosso Swift- był
Citroen Ax 92' Rouge Opera- był
Daihatsu Applause 93' PURE RED- był
Ford Probe 94' EU/USA Rio Red teraz Tangerine Frost Metalic- jest
Ford Probe 96' USA Laser Red - był
Peugeot 106 96' Laser Green. Metallic Lacquer- był
Ford Probe 94' EU Royal blue- był
Ford Probe 94' USA Black- był
Ford Probe 94' EU Rio Red- jest
- sebatox
- Posty: 113
- Rejestracja: 2015-10-16 20:42
- Samochód: Ford probe II 2.5 V6 '96
- Galeria: viewtopic.php?t=23253
Re: sebatox
Żeby nie było, że się nic nie dzieje 



Nowy tłumik środkowy

Łożyska do rolek osprzętu

Kabelki Hollywood 21 mm^2

Tarcze na tył Mikoda GT nawiercane i nacinane + malowane

DO tego klocki ATE które dojdą we wtorek/środę
Wszystko zostanie założone w przyszłą niedziele i oczywiście zdjęcia zostaną zrobione
Pozdrawiam !



Nowy tłumik środkowy

Łożyska do rolek osprzętu

Kabelki Hollywood 21 mm^2

Tarcze na tył Mikoda GT nawiercane i nacinane + malowane

DO tego klocki ATE które dojdą we wtorek/środę
Wszystko zostanie założone w przyszłą niedziele i oczywiście zdjęcia zostaną zrobione
Pozdrawiam !
- Dziki Beduin
- Posty: 449
- Rejestracja: 2014-08-18 21:56
- Samochód: Ford Probe 2 / 1993r / 2.5 v6
- Galeria: viewtopic.php?t=22388
- Lokalizacja: Sosnowiec
Re: sebatox
Jak mnie się podoba kolor twojego probe, malina 
- vitek
- Klubowicz
- Posty: 1749
- Rejestracja: 2007-11-22 17:26
- Galeria: viewtopic.php?t=13010
- Lokalizacja: Skarżysko
Re: sebatox
Bo to najlepszy kolor jest 
był Ford Probe 2.0 16V - '96 Grey Green Metallic
jest Mondeo MK3 2.0 16V 145 KM ATX
jest Mondeo MK3 2.0 16V 145 KM ATX
- Dziki Beduin
- Posty: 449
- Rejestracja: 2014-08-18 21:56
- Samochód: Ford Probe 2 / 1993r / 2.5 v6
- Galeria: viewtopic.php?t=22388
- Lokalizacja: Sosnowiec
Re: sebatox
Robi robotę 
- cuba27
- Klubowicz
- Posty: 512
- Rejestracja: 2012-02-12 17:47
- Samochód: Ford Probe II 2.0 1996
- Galeria: viewtopic.php?t=19969
- Lokalizacja: Ścinawa/Wrocław
- sebatox
- Posty: 113
- Rejestracja: 2015-10-16 20:42
- Samochód: Ford probe II 2.5 V6 '96
- Galeria: viewtopic.php?t=23253
Re: sebatox
Trochę późno dodaje ale 

Czyściutki katalizator
ehm a według mechaników już powinien być do wymiany i przez niego się rozwalił środkowy, tia jasne

Od strony podłogi okazało się, że jak walnąłem leciutko nożyczkiem to cały się posypał a w środku był charakterystyczny brzęczący dźwięk
w Końcu auto normalnie słychać







Osłona od Krecia !

Jutro przychodzi mi :
-Palec
-Kopułka
-Uszczelka OEM Mazda tej rureczki od odmy
-Poduszka pod skrzynie biegów do belki OEM mazda (troszkę guma wylazła z obecnej)
(wszystko z mazparts
polecam )
Do tego kupiłem wczoraj po poleceniu przez Krecia świece Denso K20TT,Obecne świece nie wyglądają za dobrze więc przydała by się im wymiana
(Muszę kupić dłuższy klucz do świec hah
)
Dziękuje tez Kreciowi za plastikową obudowę pod palec gdyż moja była pęknięta jak to widać na zdjęciach a dostałem od niego już zgrzaną w tym miejscu
Domawiam jeszcze na czasie zestaw montażowy do hamulców na przód i tył (te sprężynki blaszki itd), gdyż podczas ostatniego demontażu okazało się, że na jednym kole nie ma tych "sprężynek" a na drugim się rozleciały w rękach
Zaczynam coraz bardziej myśleć nad przemalowaniem felg w kolor ciemnego czerwonego (Krwistego)
Stożek też się powoli buduje
Pozdrawiam wszystkich !

Czyściutki katalizator

Od strony podłogi okazało się, że jak walnąłem leciutko nożyczkiem to cały się posypał a w środku był charakterystyczny brzęczący dźwięk
w Końcu auto normalnie słychać







Osłona od Krecia !

Jutro przychodzi mi :
-Palec
-Kopułka
-Uszczelka OEM Mazda tej rureczki od odmy
-Poduszka pod skrzynie biegów do belki OEM mazda (troszkę guma wylazła z obecnej)
(wszystko z mazparts
Do tego kupiłem wczoraj po poleceniu przez Krecia świece Denso K20TT,Obecne świece nie wyglądają za dobrze więc przydała by się im wymiana
Dziękuje tez Kreciowi za plastikową obudowę pod palec gdyż moja była pęknięta jak to widać na zdjęciach a dostałem od niego już zgrzaną w tym miejscu
Domawiam jeszcze na czasie zestaw montażowy do hamulców na przód i tył (te sprężynki blaszki itd), gdyż podczas ostatniego demontażu okazało się, że na jednym kole nie ma tych "sprężynek" a na drugim się rozleciały w rękach
Zaczynam coraz bardziej myśleć nad przemalowaniem felg w kolor ciemnego czerwonego (Krwistego)
Stożek też się powoli buduje
Pozdrawiam wszystkich !
- vitek
- Klubowicz
- Posty: 1749
- Rejestracja: 2007-11-22 17:26
- Galeria: viewtopic.php?t=13010
- Lokalizacja: Skarżysko
Re: sebatox
No nie wiemsebatox pisze:Zaczynam coraz bardziej myśleć nad przemalowaniem felg w kolor ciemnego czerwonego (Krwistego)
był Ford Probe 2.0 16V - '96 Grey Green Metallic
jest Mondeo MK3 2.0 16V 145 KM ATX
jest Mondeo MK3 2.0 16V 145 KM ATX
- sebatox
- Posty: 113
- Rejestracja: 2015-10-16 20:42
- Samochód: Ford probe II 2.5 V6 '96
- Galeria: viewtopic.php?t=23253
Re: sebatox
No pewnie przed podjęciem ostatecznej decyzji bym poprosił kogoś z virtualnego tuningu 
Chodzi mi o taki kolor hmm coś w stylu bordowego.
Albo jeśli by się dało to wypolerować na połysk
ale to by było dużoooo roboty. Kiedyś na lustro wypolerowałem pokrywę do escorta
Około 10 godzin mi na tym zeszło 
Pod tym względem jestem niezdecydowany ale oczywiście każda opinia dużo dla mnie znaczy !
Pozdrawiam !
Chodzi mi o taki kolor hmm coś w stylu bordowego.
Albo jeśli by się dało to wypolerować na połysk
Pod tym względem jestem niezdecydowany ale oczywiście każda opinia dużo dla mnie znaczy !
Pozdrawiam !
- vitek
- Klubowicz
- Posty: 1749
- Rejestracja: 2007-11-22 17:26
- Galeria: viewtopic.php?t=13010
- Lokalizacja: Skarżysko
Re: sebatox
Polerowanie jest pracochłonne, fakt, ale efekt też jest
http://www.fordprobe.pl/forum/viewtopic ... 010#p87309
https://www.google.pl/search?hl=pl&site ... b3cS2kM%3A
powiem szczerze, mnie się nie podobają (kolor mam na myśli)
coś takiego?sebatox pisze:Chodzi mi o taki kolor hmm coś w stylu bordowego.
powiem szczerze, mnie się nie podobają (kolor mam na myśli)
był Ford Probe 2.0 16V - '96 Grey Green Metallic
jest Mondeo MK3 2.0 16V 145 KM ATX
jest Mondeo MK3 2.0 16V 145 KM ATX
- -michal-
- Posty: 982
- Rejestracja: 2011-12-10 03:04
- Samochód: Yugo Koral :P
- Lokalizacja: Lublin, Chełm
Re: sebatox
Też mam probasa w takim kolorze jak twój, i też mam ciemno srebrne felgi aktualnie, tak sobie rozmyślałem jak by je machnąć żeby się jakoś odróżniały kolorystycznie i tylko jasne sreberko wg mnie będzie najlepiej wyglądało przy tym kolorze karoserii 
Oxanin pierwszej klasy 
- KrecioPL
- Klubowicz
- Posty: 3441
- Rejestracja: 2012-02-27 16:00
- Samochód: Był: Probe II 2.5 V6 '97 || Jest: cokolwiek byle jeździć :)
- Galeria: viewtopic.php?t=21787
- Lokalizacja: Na wsi.
Re: sebatox
ja mam też taki kolor i jasno srebrne felgi (na zdjęciu troszkę brudne)
Bo w Biblii nie ma napisane aby nie cisnąc gazu do dechy
- sebatox
- Posty: 113
- Rejestracja: 2015-10-16 20:42
- Samochód: Ford probe II 2.5 V6 '96
- Galeria: viewtopic.php?t=23253
Re: sebatox
-- oryginalny post 2016-06-03 09:54 --

Polerka wiem, że jest pracochłonna i dlatego brakuje mi możliwości z jednej strony na zrobienie (Brak garażu, jeden komplet alufelg)
Pytanie też jak na naszych warunkach zachowa się polerka jeszcze w dodatku felg co brudzą się fiu fiu
Jeszcze zobaczę co z tym zrobię
Dnia jutrzejszego mam nadzieję, że wymienię trochę elementów zapłonu, może autku się polepszy
Pozdrawiam !
Coś w ten deseńvitek pisze:Polerowanie jest pracochłonne, fakt, ale efekt też jest
http://www.fordprobe.pl/forum/viewtopic ... 010#p87309
coś takiego?sebatox pisze:Chodzi mi o taki kolor hmm coś w stylu bordowego.https://www.google.pl/search?hl=pl&site ... b3cS2kM%3A
powiem szczerze, mnie się nie podobają (kolor mam na myśli)
Polerka wiem, że jest pracochłonna i dlatego brakuje mi możliwości z jednej strony na zrobienie (Brak garażu, jeden komplet alufelg)
Pytanie też jak na naszych warunkach zachowa się polerka jeszcze w dodatku felg co brudzą się fiu fiu
Jeszcze zobaczę co z tym zrobię
Dnia jutrzejszego mam nadzieję, że wymienię trochę elementów zapłonu, może autku się polepszy
Pozdrawiam !
-
DNF91
- Posty: 154
- Rejestracja: 2016-01-20 08:25
- Samochód: Ford Probe II 2.0 16V 97r. Pb+LPG
- Lokalizacja: Bydgoszcz
Re: sebatox
Ile płaciłeś za tarcze i poduchę pod skrzynię? Dowiadywałeś się może ile pozostałe poduchy kosztują?
- sebatox
- Posty: 113
- Rejestracja: 2015-10-16 20:42
- Samochód: Ford probe II 2.5 V6 '96
- Galeria: viewtopic.php?t=23253
Re: sebatox
Sorry, że tak późno dopiero teraz obczaiłem 
Tarcze nie pamiętam ale masz na stronie mikody dokładne ceny (Zależy czy malowane, czy nawiercane). Masz tam konfigurator u nich.
Poducha pod skrzynie 49 zł Japan OEM
To są ceny jakie od nich dostałem (Mazparts) (Kupiłem tylko to co napisałem a resztę chciałem wiedzieć na przyszłość
)
"
-Poduszki silnika i skrzyni
TEDGUM - 95PLN/szt,
przednia/boczne/tylna,
pod skrzynię do belki JAPAN OEM - 49PLN,
- Uszczelka przepustnicy, gumowa pod przepustnicę OE MAZDA - 129PLN, boczna do kolektora OE MAZDA - 69PLN,
- Uszczelki pokryw OE MAZDA - 115PLN/kpl,
- Uszczelki kolektora ssącego oraz wydechowego
ssącego REINZ - 75PLN/kpl,
wydechowego AJUSA - 69PLN/kpl,
- Uszczelke misy olejowej, sylikon czarny wysokotemperaturowy - 20PLN,
- Kopułka rozdzielacza zapłonu EPS - 109PLN,
- Palec rozdzielacza zapłonu YEC JAPAN - 23PLN,
"
Pozdrawiam !
Tarcze nie pamiętam ale masz na stronie mikody dokładne ceny (Zależy czy malowane, czy nawiercane). Masz tam konfigurator u nich.
Poducha pod skrzynie 49 zł Japan OEM
To są ceny jakie od nich dostałem (Mazparts) (Kupiłem tylko to co napisałem a resztę chciałem wiedzieć na przyszłość
"
-Poduszki silnika i skrzyni
TEDGUM - 95PLN/szt,
przednia/boczne/tylna,
pod skrzynię do belki JAPAN OEM - 49PLN,
- Uszczelka przepustnicy, gumowa pod przepustnicę OE MAZDA - 129PLN, boczna do kolektora OE MAZDA - 69PLN,
- Uszczelki pokryw OE MAZDA - 115PLN/kpl,
- Uszczelki kolektora ssącego oraz wydechowego
ssącego REINZ - 75PLN/kpl,
wydechowego AJUSA - 69PLN/kpl,
- Uszczelke misy olejowej, sylikon czarny wysokotemperaturowy - 20PLN,
- Kopułka rozdzielacza zapłonu EPS - 109PLN,
- Palec rozdzielacza zapłonu YEC JAPAN - 23PLN,
"
Pozdrawiam !
-
DNF91
- Posty: 154
- Rejestracja: 2016-01-20 08:25
- Samochód: Ford Probe II 2.0 16V 97r. Pb+LPG
- Lokalizacja: Bydgoszcz
Re: sebatox
Dobre ceny za poduchy
Muszę przedzwonić do nich 
- sebatox
- Posty: 113
- Rejestracja: 2015-10-16 20:42
- Samochód: Ford probe II 2.5 V6 '96
- Galeria: viewtopic.php?t=23253
Re: sebatox
Wczoraj
Wymieniona poducha pod skrzynią ( stan ehm...) do tego w niedługim czasie planuje grodziową
Założone wszystkie sprężynki i blaszki na wszystkie koła (Na Żadnym kole nie było sprężynek przeciw drganiowym.)
Dokończony dolot powietrza ze stożkiem (Stożek jedynie w przyszłości wymienię na jakiś większy
Przy okazji znaleziony urwany kabel który pałętał się przy prawym przegubie, najprawdopodobniej był on zamontowany gdzieś w okolicy lewej strony za kolektorem ssącym (patrząc od strony silnika) gdyż tam znalazłem miejsce na spinke wtyczki. Teraz zostało znaleźć resztę kabla i dowiedzieć się od czego on jest






Pozdrawiam !
Wymieniona poducha pod skrzynią ( stan ehm...) do tego w niedługim czasie planuje grodziową
Założone wszystkie sprężynki i blaszki na wszystkie koła (Na Żadnym kole nie było sprężynek przeciw drganiowym.)
Dokończony dolot powietrza ze stożkiem (Stożek jedynie w przyszłości wymienię na jakiś większy
Przy okazji znaleziony urwany kabel który pałętał się przy prawym przegubie, najprawdopodobniej był on zamontowany gdzieś w okolicy lewej strony za kolektorem ssącym (patrząc od strony silnika) gdyż tam znalazłem miejsce na spinke wtyczki. Teraz zostało znaleźć resztę kabla i dowiedzieć się od czego on jest






Pozdrawiam !
- sebatox
- Posty: 113
- Rejestracja: 2015-10-16 20:42
- Samochód: Ford probe II 2.5 V6 '96
- Galeria: viewtopic.php?t=23253
Re: sebatox
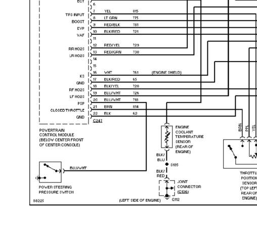
Z tego co zauważyłem (Jestem teraz w pracy
) To czarne i na końcu się chyba schodził w niebieskawy i żółty(?) (Może był cały niebieski). Muszę to sprawdzić po pracy dokładnie
Ustawiłem miernik włączyłem auto i na zmiennym napięciu w zależności od obrotów było 0,6 - 2,2 V testowane do 3,5-4 tyś obrotów około.
Kabel ten jest centralnie zamontowany na kolektorze ssącym/ głowicy tam z tyłu po lewej stronie(Patrząc od strony silnika)
Wyżej są dwa zdjęcia ukazujące ten przewód
z góry dzięki za pomoc
Ustawiłem miernik włączyłem auto i na zmiennym napięciu w zależności od obrotów było 0,6 - 2,2 V testowane do 3,5-4 tyś obrotów około.
Kabel ten jest centralnie zamontowany na kolektorze ssącym/ głowicy tam z tyłu po lewej stronie(Patrząc od strony silnika)
Wyżej są dwa zdjęcia ukazujące ten przewód
z góry dzięki za pomoc
Re: sebatox
Jeśli to BLU/YEL to nic tam takiego w okolicy nie ma- ja nie zauważyłem nic na schematach.
Jedyny podchodzący BLU/YEL to TFT transaxe fluid temperature sensor, ale jest w automacie więc odpada i okolica też nie bardzo ta.
Do tego to kabel z napięciem ale takim dosyć dziwnym jak na napięcie wykonawcze. Jakiś czujnikowy?
Sprawdź dobrze kolor bo bez tego to średnio da się dojść co to.
Jedyny podchodzący BLU/YEL to TFT transaxe fluid temperature sensor, ale jest w automacie więc odpada i okolica też nie bardzo ta.
Do tego to kabel z napięciem ale takim dosyć dziwnym jak na napięcie wykonawcze. Jakiś czujnikowy?
Sprawdź dobrze kolor bo bez tego to średnio da się dojść co to.
„czysta krew, trzeźwy umysł”
- KrecioPL
- Klubowicz
- Posty: 3441
- Rejestracja: 2012-02-27 16:00
- Samochód: Był: Probe II 2.5 V6 '97 || Jest: cokolwiek byle jeździć :)
- Galeria: viewtopic.php?t=21787
- Lokalizacja: Na wsi.
Re: sebatox
Jak nie zapomnę, to zerknę dziś u siebie czy coś takiego mam.
Bo w Biblii nie ma napisane aby nie cisnąc gazu do dechy
- sebatox
- Posty: 113
- Rejestracja: 2015-10-16 20:42
- Samochód: Ford probe II 2.5 V6 '96
- Galeria: viewtopic.php?t=23253
Re: sebatox
Najprawdopodobniej jest to od pompy wspomagania tak jak napisali koledzy/koleżanki w innym temacie.
Tylko nie mogę znaleźć reszty tego kabla
Wymienione zostały blaszki itd (Zestaw montażowy klocków) przód i tył.
Auto przestało piszczeń i lekko stukać od klocków
cisza jak makiem zasiał 
W następnej kolejności prawdopodobnie poduszka od strony grodzi bo też w najlepszym stanie nie jest
Jak się tylko spotkam z kolegą Pawlaczem to planuje podmienić przepływki i sprawdzić jak będzie auto chodzić
Dzięki wszystkim za pomoc
z Wami wszystko jest łatwiejsze do ogarnięcia 
Pozdrawiam !
Tylko nie mogę znaleźć reszty tego kabla
Wymienione zostały blaszki itd (Zestaw montażowy klocków) przód i tył.
Auto przestało piszczeń i lekko stukać od klocków
W następnej kolejności prawdopodobnie poduszka od strony grodzi bo też w najlepszym stanie nie jest
Jak się tylko spotkam z kolegą Pawlaczem to planuje podmienić przepływki i sprawdzić jak będzie auto chodzić
Dzięki wszystkim za pomoc
Pozdrawiam !
- pawlacz
- Posty: 378
- Rejestracja: 2012-07-24 23:41
- Samochód: Probe II 2.5 v6 '93
- Galeria: viewtopic.php?t=22222
Re: sebatox
Hmm, łatwo sprawdzić czy to jest przewód od wspomagania. Podczas postoju ruszaj kierownicą, obroty się powinny podnieść.
- sebatox
- Posty: 113
- Rejestracja: 2015-10-16 20:42
- Samochód: Ford probe II 2.5 V6 '96
- Galeria: viewtopic.php?t=23253
Re: sebatox
Na 95% jest to od wspomagania bo czasami jak chce ruszyć na skręconych kołach to musze więcej dodać gazu bo czuje jak gaśnie 
Mógłby ktoś sprawdzić gdzie idzie dalej ten kabelek bym mógł wiedzieć gdzie go szukać?
Dla potomnych :
Poduszka zamówiona od mazparts wymagała paru przeróbek.
- Skrócenia śrub montażowych (wcześniejsza poduszka miała je prawie połowę krótsze)
-Rozwiercenia leciutko jednej dziurki gdyż oś otworów jest leciutko większa
I wszystko dobrze się spasowało
Teraz przymiarki ida na tą od grodzi. Pewnie roboty będzie fiu fiu
Oczywiście nadal pozostaje temat dziwnych błędów i szarpania auta po nagrzaniu przy przepustnicy otwartej od 0 do około 40%
Pozdrawiam !
Mógłby ktoś sprawdzić gdzie idzie dalej ten kabelek bym mógł wiedzieć gdzie go szukać?
Dla potomnych :
Poduszka zamówiona od mazparts wymagała paru przeróbek.
- Skrócenia śrub montażowych (wcześniejsza poduszka miała je prawie połowę krótsze)
-Rozwiercenia leciutko jednej dziurki gdyż oś otworów jest leciutko większa
I wszystko dobrze się spasowało
Teraz przymiarki ida na tą od grodzi. Pewnie roboty będzie fiu fiu
Oczywiście nadal pozostaje temat dziwnych błędów i szarpania auta po nagrzaniu przy przepustnicy otwartej od 0 do około 40%
Pozdrawiam !
Re: sebatox
Tak jak widać, schemat teoretycznie od rocznika 96-97. Kabel idzie do kompa.
„czysta krew, trzeźwy umysł”
