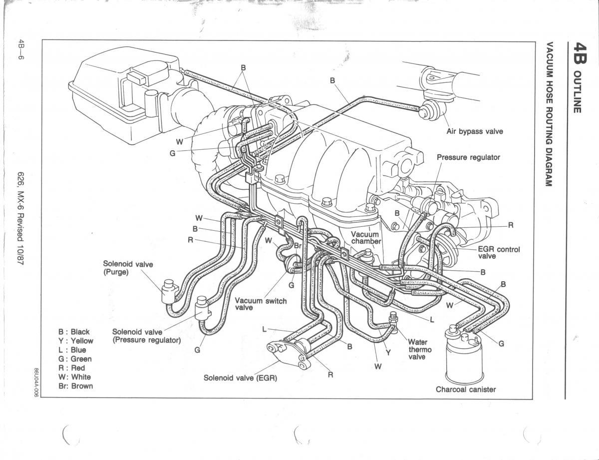
Wydrukowałem sobie ten schemat
[/quote]I sprawa jest tak że to całkowicie co innego ,kurde ja nie mam niczego takiego jak "carbon canister", "engine coolant valve".
Jeśli ktoś ma schemat od probka z 90 -91-92 roku i nie ma tam wyszczególnionych tych elementów bo bardzo prosze o wrzucenie tego na forum bo autko rozebrane , nie wiem co robić bez tego schematu.
Żeby nie było to szukałem tego i nie znalazłem jeśli jednak jest to gdzieś na forum to prosze od podanie linka i temacik może polecieć .
pozdro


automat USA '90

'89 