Sam: A skąd ty wziąłeś Probe 98

Jeśli jest wersja usa to ma tempomat na 90% tak poza tematyka tematu ,niezależnie od rocznika - nie ma on nic do rzeczy w kwestii wyposażenia dodatkowego.
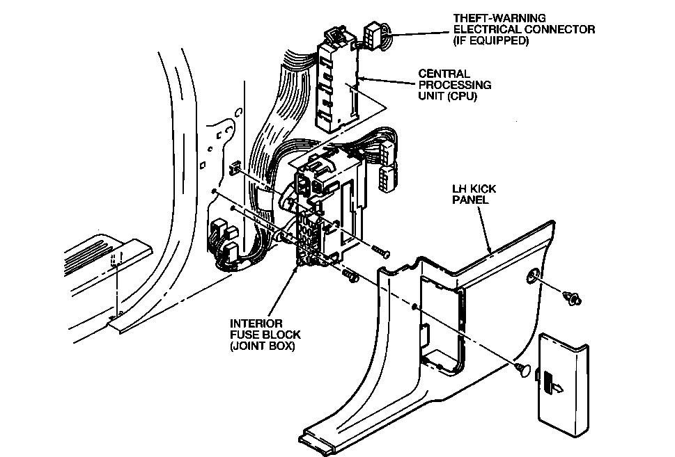
Moti21 : Kolego jeśli kierunki działają bez bezpiecznika i jeśli stało ci się jak to piszesz prawdopodobnie obstawiałbym CPU/Skrzynka bezp. , że się coś zjarało.
Najlepiej jeśli masz możliwość to podmienić CPU lub cały box i zobaczyć co będzie.
Lub przynajmniej wykręć box (skrzynka bezp.) i posprawdzaj czy nie ma gdzieś jakiejś zwary na kostkach lub module .
Może ci woda słupkiem na niego zacieka np.
też zacznij,od porozbierania i posprawdzania,bo gdybiąc tu na forum za wiele nie osiagniesz.
Pzdr. & c ya..
P.S. Jeśli chodzi jeszcze o rocznik 93 ,to w wersjach euro leciała dodatkowo ,wpinana wiązka (kierunki,światła) z bezpiecznikami osobnymi (niezależnymi) i tu również może by problem.
też proponuje dobrze posprawdzać i by na końcu sie nie okazało,że niby wersja usa to euro

.