Problem z lampami!!!
- Prezes
- Klubowicz
- Posty: 1767
- Rejestracja: 2008-09-27 13:31
- Samochód: Probe 2.2 GT 92r.
- Galeria: viewtopic.php?t=15588
- Lokalizacja: Przytoczno woj. Lubelskie
Re: Problem z lampami!!!
Jeszcze nie patrzyłem ale sprawdzę, tak jak mówisz to pewnie nie mam
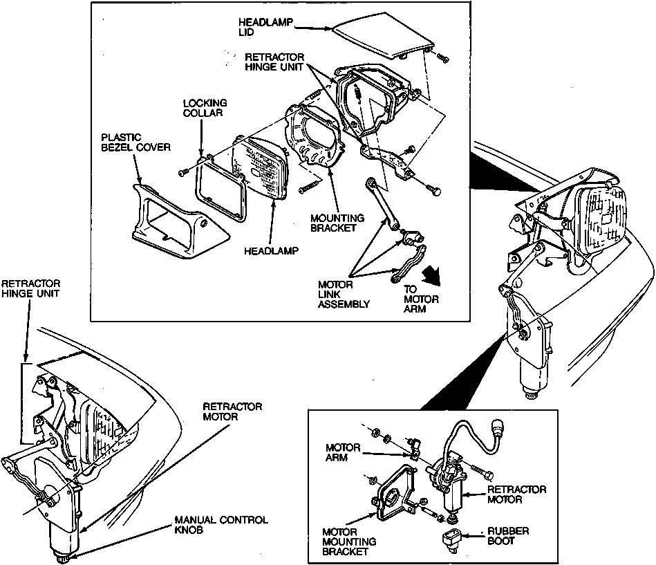
A co do lamp to chyba się już sprawa wyjaśni, Sallmo mi ostatnio powiedział, że w miejscu gdzie to ''cięgno'' łączy się z przegubem od silniczka powinna byc jeszcze taka plastykowa zaślepka i że jak jej nie ma to czasem lampa może spadac z tego przegubu podczas otwierania - zamykania. Mi akurat nie spada ale nie mam tej części co napewno jest jedną z przyczyn owego luzu. Postaram się gdzieś załatwic albo dorobie jakieś zabezpieczenie i zobaczę czy to coś da. Ale dzięki za info 
„Nie polemizuj z idiotą - najpierw sprowadzi Cię do swojego poziomu, a potem pobije doświadczeniem.”
- Scyzor
- Posty: 1278
- Rejestracja: 2009-04-26 19:54
- Samochód: 2.0'95 ; Jag X-Type 2,5'02
- Lokalizacja: Bydgoszcz/Trzemeszno
Re: Problem z lampami!!!
Prezes1986 pisze:Sallmo mi ostatnio powiedział, że w miejscu gdzie to ''cięgno'' łączy się z przegubem od silniczka powinna byc jeszcze taka plastykowa zaślepka i że jak jej nie ma to czasem lampa może spadac z tego przegubu podczas otwierania - zamykania.
No pewnie
Oczywiście że masz luz przez to
Podobno prawie pasują od Bory czy Octavii od cięgien wycieraczek...
Ostatnio zmieniony 2009-05-29 10:17 przez Scyzor, łącznie zmieniany 1 raz.
- Prezes
- Klubowicz
- Posty: 1767
- Rejestracja: 2008-09-27 13:31
- Samochód: Probe 2.2 GT 92r.
- Galeria: viewtopic.php?t=15588
- Lokalizacja: Przytoczno woj. Lubelskie
Re: Problem z lampami!!!
U to lipa będzie...
zobaczę jeszcze w Łomiankach tam koleś ma 2 Probki to może coś znajdę a jak nie to trzeba będzie coś kombimowac..
„Nie polemizuj z idiotą - najpierw sprowadzi Cię do swojego poziomu, a potem pobije doświadczeniem.”
Re: Problem z lampami!!!
Scyzor pisze:
2Ya - ten schemat to od dwójki...
Scyzor - spójrz trochę w górę i na cytat
W jedynce to nie wiem jak to wygląda i chyba nawet nie chce wiedzieć
Pzdr. & c ya..

- Scyzor
- Posty: 1278
- Rejestracja: 2009-04-26 19:54
- Samochód: 2.0'95 ; Jag X-Type 2,5'02
- Lokalizacja: Bydgoszcz/Trzemeszno
Re: Problem z lampami!!!
No fakt...2Ya pisze:Scyzor - spójrz trochę w górę i na cytat![]()
Słusznie - nie połapałbyś się2ya pisze:W jedynce to nie wiem jak to wygląda i chyba nawet nie chce wiedzieć
- Robert
- Posty: 12613
- Rejestracja: 2004-10-21 19:12
- Samochód: Probe GT2.0'89; ForTwo 0.6turbo; HRV 1.6
- Galeria: viewtopic.php?t=6900
- Lokalizacja: Leszno (maz)
- Kontakt:
Re: Problem z lampami!!!
No ja nie wiem, ale z cytatu poniżej wynikałoby, że właśnie d.generację trudniej pojąć.
W jedynkach jest tak:
Agusia pisze:szpila pisze:Basiu sorry ale czy ty jesteś typową blondynką czy tylko udajesz?Proszę przeczytaj uważnie moje ostatnie posty.
Ty się szpilkowski ciesz, że Basia jest kulturalną osobą i
na dodatek jej kolor włosów nie ma nic, do jej intelektu![]()
bo poległbyś tu sromotnie![]()
W jedynkach jest tak:
Poświęć niecałe 2 minuty na naukę korzystania z forum:
Lekcja 1 (bardzo krótka) i
Lekcja 2 (krótka)

'89 2.0 Turbo downgrade

'89 2.0 Turbo downgradeRe: Problem z lampami!!!
Łoo boszzz to w bizonie przy tej sieczkarce czy jak to tam się zwie nie ma tyle elementów co przy lampach w jedynce
Nie widzę w dwójkach nic kobiecego poza tym jednym wyjątkiem ,iż są piekne
Ale fakt jedynki sa dla prawdziwych facetów,biorąc pod uwagę ich bolączki,z którymi wiekszość kobiet nie wytrzymałaby dłuższego etapu i byłby rychły rozwód
Pzdr. & c ya..
Nie widzę w dwójkach nic kobiecego poza tym jednym wyjątkiem ,iż są piekne
Pzdr. & c ya..

-
Adam1990
- Posty: 10
- Rejestracja: 2009-05-16 02:31
- Samochód: Ford Probe 1996, 2.0 + gaz
- Lokalizacja: Gdańsk
Re: Problem z lampami!!!
A ja u siebie naprawiłem to w ten sposób: (nie kleiłem tego bo ktoś przede mną już próbował i w końcu odpadło, i nie próbowałem szukać nowych tych "wkładów", bo podobno trudno je znaleźć.....blacha 2mm)
- Załączniki
-
- 1111111111.JPG (14.95 KiB) Przejrzano 10854 razy
-
- 2222222222222.JPG (15.04 KiB) Przejrzano 10854 razy
-
adrian_seki
- Posty: 911
- Rejestracja: 2009-05-21 22:31
- Samochód: Ford Probe I GT 2,2T 12V 92r
- Galeria: viewtopic.php?t=16334
- Lokalizacja: Konin (WLKP)
Re: Problem z lampami!!!
Ja u siebie mam podobnie tylko że przyspawana blaszka do okoła
- Przemek-83
- Posty: 203
- Rejestracja: 2009-12-01 17:38
- Samochód: B5 "00 1.8 20V
- Galeria: viewtopic.php?t=16910
- Lokalizacja: bombaj :)
Re: Problem z lampami!!!
ja dzis temat nastepny próbowałem załatwić a wiec tak lampy sie nie chowaja i nie wyciagaja nie wiem jaki jest powód bo takiego juz kupiłem ale to nie oto mi biega
jedna z lamp mi parowała wiec mysle sobie mam druga lampe wlasnie tez prawa to sobie przełoze bo nawet w lepszym stanie jest i tu klops ! chciałem sam klosz przełozyc nic bardziej mylnego
lampa niby taka sama a nie taka sama bo sposób mocowania jest całkiem inny w dodatku zobaczyłem ze ta co ja chciałem włozyc ma elektryczna regulacje a moja nie
wiec musiałem cały szkielet przełozyc wraz z kloszem dół ogólnie na otwory pasuje ale temat jest z daszkiem ciekawy bo lampa która włozyłem jest koloru niebieskawego całe ruszto nie ma znaczenia bo nie widac ale daszek musi byc pod kolor wiec zakladam ten cholerny swój daszek a tu rozstaw otworów sie nie zgadza o 10 mm a lampa jedna i druga euro wiec co jest inny rocznik ???
jedna z lamp mi parowała wiec mysle sobie mam druga lampe wlasnie tez prawa to sobie przełoze bo nawet w lepszym stanie jest i tu klops ! chciałem sam klosz przełozyc nic bardziej mylnego
lampa niby taka sama a nie taka sama bo sposób mocowania jest całkiem inny w dodatku zobaczyłem ze ta co ja chciałem włozyc ma elektryczna regulacje a moja nie
wiec musiałem cały szkielet przełozyc wraz z kloszem dół ogólnie na otwory pasuje ale temat jest z daszkiem ciekawy bo lampa która włozyłem jest koloru niebieskawego całe ruszto nie ma znaczenia bo nie widac ale daszek musi byc pod kolor wiec zakladam ten cholerny swój daszek a tu rozstaw otworów sie nie zgadza o 10 mm a lampa jedna i druga euro wiec co jest inny rocznik ???
-
nexus62
- Posty: 4
- Rejestracja: 2010-06-04 22:40
- Samochód: Ford Probe 2.5 V6 Opel Omega 3.0 MV6
- Lokalizacja: Szczecin
- Kontakt:
Re: Problem ze światłami z przodu
Mam problem z jednym reflektorem,a mianowicie przy zapaleniu swiatel jeden(prawy) podnosi sie,a drugi ,po stronie kierowcy nie chce sie podniesc.Nie wiem jak mam sie za to zabrac i licze na wasza pomoc
Ford Probe USA 93 rok 2,5 V6
Opel Omega B Kombi 3.0 MV6 98 rok
Opel Omega B Kombi 3.0 MV6 98 rok
- Sam
- Posty: 471
- Rejestracja: 2004-05-27 22:04
- Samochód: Probe 96r, 2.0 16V
- Galeria: viewtopic.php?t=17752
- Lokalizacja: Sosnowiec
Re: Problem ze światłami z przodu
O ile jeszcze tego nie zrobiłeś przeczytaj cały temat może coś ciekawego znajdziesz - po drugie na początek proponuje w okolice akumulatora pod taką gumą jest pokrętło (u mnie jest czerwone) do ręcznego otwierania lampy. jeżeli silnik jest sprawny jak zaczniesz kręcić(o ile dobrze pamiętam to jest strzałka w która stronę kręcić ale nie jestem pewny) to w pewnym momencie lampa się otworzy i zamknie więc uważaj na palce. Jeśli się sama nie otworzy i nie zamknie to albo masz silnik spalony albo kable zgniły. Jakbyś potrzebował silnik to chyba mam w garażu jeszcze to ci mogę opchnąć tanio w razie czego pisz na priv. POzdro
Dziś Probe 2.0 16V 96r
Kiedyś Probe 2.2 GL 90r
Niech gra muzyka i gaz do dechy
Komu w drogę temu pedał w podłogę :]
Kiedyś Probe 2.2 GL 90r
Niech gra muzyka i gaz do dechy
Komu w drogę temu pedał w podłogę :]
-
nexus62
- Posty: 4
- Rejestracja: 2010-06-04 22:40
- Samochód: Ford Probe 2.5 V6 Opel Omega 3.0 MV6
- Lokalizacja: Szczecin
- Kontakt:
Re: Problem ze światłami z przodu
Patrzylem dzisiaj na te moje reflektorki i nie moglem znalezc tego pokretla od podnoszenia.Nie mam pojecia gdzie tego szukac.Cos mi sie wydaje,ze bede musial pojechac do elektyryka,bo sam nie dam rady chyba tego zrobic.
Ford Probe USA 93 rok 2,5 V6
Opel Omega B Kombi 3.0 MV6 98 rok
Opel Omega B Kombi 3.0 MV6 98 rok
- Robert
- Posty: 12613
- Rejestracja: 2004-10-21 19:12
- Samochód: Probe GT2.0'89; ForTwo 0.6turbo; HRV 1.6
- Galeria: viewtopic.php?t=6900
- Lokalizacja: Leszno (maz)
- Kontakt:
Re: Problem ze światłami z przodu
Poświęć niecałe 2 minuty na naukę korzystania z forum:
Lekcja 1 (bardzo krótka) i
Lekcja 2 (krótka)

'89 2.0 Turbo downgrade

'89 2.0 Turbo downgrade- vitek
- Klubowicz
- Posty: 1749
- Rejestracja: 2007-11-22 17:26
- Galeria: viewtopic.php?t=13010
- Lokalizacja: Skarżysko
Re: Problem ze światłami z przodu
nexus62, pewnie masz jeszcze oryginalne gumki na pokrętłach i dlatego ich nie widzisz.
był Ford Probe 2.0 16V - '96 Grey Green Metallic
jest Mondeo MK3 2.0 16V 145 KM ATX
jest Mondeo MK3 2.0 16V 145 KM ATX
- OLEY
- Klubowicz
- Posty: 12763
- Rejestracja: 2004-10-07 22:17
- Samochód: I Gen 3.0 V6 Vulcan '90
- Lokalizacja: Szczecin
Re: Problem ze światłami z przodu
Za trzy - cztery dni dostaniesz dostęp do działu spotkań i zlotów. Przyjedź na szczeciński, to
ci otworzymy (naprawimy) za darmo.
Nie będziesz musiał wydawać kasy na jakichś magików-elektryków.
ci otworzymy (naprawimy) za darmo.
Nie będziesz musiał wydawać kasy na jakichś magików-elektryków.
[o]Piękno nie zna ceny.[/o]
-
kwiatek8902
- Posty: 109
- Rejestracja: 2010-01-06 12:13
- Samochód: ford probe 2,2 GT 1991r.
- Galeria: viewtopic.php?t=17158
- Lokalizacja: świecie
- Kontakt:
Re: Problem z lampami!!!
witam jak w temacie mam problem z lampami , w sumie to z jedna lampa dokładnie to z lewa (patrzac z punktu widzenia kierowcy) oto objawy,
jak kupiłem proboszcza to lampy otwierały sie rowno ale z czasem ta lewa lampa otwierała sie coraz wolniej ,gdy zrobiłem spiocha to było to widac wyrazniej ,bo gdy przałaczałem przełacznik prawa lampa była duzo wyzej niz lewa i spioch wygladał nieciekawie. potem lewa lampa przestała sie otwierac a jak juz sie otworzyła to wygladało to jak w zwolnionym tepie tak jak by silniczek miał bardzo ciezko ja otworzyc , i zostawiam teraz lampy podniesione , czyli ten przałacznik od lamp całkiem w przod , i czasem jak sie zapomne to je zamkne i lewa lampa tylko minimalnie opadnie a prawa ok i jak ona tak opadnie to mi rozładowuje aku do zera i słychac jakies odgłosy z tego silniczka. Teraz moje pytanie czy to moze byc uszkodzony silnik , czy moze cos z instalacja nie tak ?? chciałem sie najpierw dowiedziec cos od Was nim sam sie za to zabiore
jak kupiłem proboszcza to lampy otwierały sie rowno ale z czasem ta lewa lampa otwierała sie coraz wolniej ,gdy zrobiłem spiocha to było to widac wyrazniej ,bo gdy przałaczałem przełacznik prawa lampa była duzo wyzej niz lewa i spioch wygladał nieciekawie. potem lewa lampa przestała sie otwierac a jak juz sie otworzyła to wygladało to jak w zwolnionym tepie tak jak by silniczek miał bardzo ciezko ja otworzyc , i zostawiam teraz lampy podniesione , czyli ten przałacznik od lamp całkiem w przod , i czasem jak sie zapomne to je zamkne i lewa lampa tylko minimalnie opadnie a prawa ok i jak ona tak opadnie to mi rozładowuje aku do zera i słychac jakies odgłosy z tego silniczka. Teraz moje pytanie czy to moze byc uszkodzony silnik , czy moze cos z instalacja nie tak ?? chciałem sie najpierw dowiedziec cos od Was nim sam sie za to zabiore
probe 2,2 gl USA 1989 był.. jest probe 2,2GT euro 1991 GG-13529377
- jarsonik
- Posty: 993
- Rejestracja: 2007-07-22 12:03
- Samochód: brak
- Galeria: viewtopic.php?t=13697
- Lokalizacja: Białystok
Re: Problem z lampami!!!
rozbierz wyczyść, moze coś pomorze, a najprawdopodobniej po prostu zaciera ci się już silniczek i będzi etrzeba wymienić.
2,5 V6 Generation two. 93r. Czarna perełka
Piliście, to kto u was prowadzi samochód?? cruise control. hahahah
MISIEK: "żałuję tego, że tak Cię usunąłem.."
Piliście, to kto u was prowadzi samochód?? cruise control. hahahah
MISIEK: "żałuję tego, że tak Cię usunąłem.."
- Kocureq
- Klubowicz
- Posty: 10633
- Rejestracja: 2006-03-21 21:35
- Samochód: Patrol Y60 1991, Audi A4 2023
- Galeria: viewtopic.php?t=10333
- Lokalizacja: Warszawa
Re: Problem z lampami!!!
mam silniczek od kierowcy 
- Robert
- Posty: 12613
- Rejestracja: 2004-10-21 19:12
- Samochód: Probe GT2.0'89; ForTwo 0.6turbo; HRV 1.6
- Galeria: viewtopic.php?t=6900
- Lokalizacja: Leszno (maz)
- Kontakt:
Re: Problem z lampami!!!
Otwórz, wyjmij bezpiecznik RETRA i zajmij się tym w cieple (w ogrzewanym garażu albo na wiosnę). 
Poświęć niecałe 2 minuty na naukę korzystania z forum:
Lekcja 1 (bardzo krótka) i
Lekcja 2 (krótka)

'89 2.0 Turbo downgrade

'89 2.0 Turbo downgrade- Prezes
- Klubowicz
- Posty: 1767
- Rejestracja: 2008-09-27 13:31
- Samochód: Probe 2.2 GT 92r.
- Galeria: viewtopic.php?t=15588
- Lokalizacja: Przytoczno woj. Lubelskie
Re: Problem z lampami!!!
Na bank Ci się gdzieś na sworzniu zapiekła ( dostał się syf i tyle ). Zdejmij tę gumową osłonę od dołu silniczka i spróbuj schowac - -otworzyc lampę ręcznie. Będziesz kręcił w jedną stronę tym kółkiem i po chwili powinno ''odbijac'' w drugą. U mnie objawy były takie same. Silniczek próbował wrócic do pozycji ''zamkniętej'' i dlatego odpinałem aku na noc bo zaraz by się rozładował. Wbrew pozorom jak się zapiecze na amen to silnik nie da rady ruszyc lampy za nic. Ja zapieczony sworzeń na początku z młotka nie mogłem dobrze rozruszac. Odepnij to długie cięgno z dołu i zobacz czy lampa sama chodzi. Jak tak a przy zapiętym cięgnie nie to na pewno sworzeń.
„Nie polemizuj z idiotą - najpierw sprowadzi Cię do swojego poziomu, a potem pobije doświadczeniem.”
- OLEY
- Klubowicz
- Posty: 12763
- Rejestracja: 2004-10-07 22:17
- Samochód: I Gen 3.0 V6 Vulcan '90
- Lokalizacja: Szczecin
Re: Problem z lampami!!!
Tylko uważaj na palce.
Ja miałem identycznie, i to całkiem niedawno.
Lampa zaczęła zamykać się i otwierać dużo wolniej od drugiej, aż któregoś razu przy zamykaniu
została w pozycji śpiocha.
Złapałem za daszek i delikatnie próbowałem ją domknąć. No i się domknęła razem z moimi palcami.
- bolało...
Tak, jak pisze Prezes. Najprawdopodobniej sworzeń.
Ja swój silniczek wyjąłem, rozebrałem, cały przesmarowałem i zaczął chodzić.
Choć widzę, że chyba znów go bierze.
Jednak w tym mrozie (jakby co) raczej
skorzystam z rady Roberta.
Ja miałem identycznie, i to całkiem niedawno.
Lampa zaczęła zamykać się i otwierać dużo wolniej od drugiej, aż któregoś razu przy zamykaniu
została w pozycji śpiocha.
Złapałem za daszek i delikatnie próbowałem ją domknąć. No i się domknęła razem z moimi palcami.
- bolało...
Tak, jak pisze Prezes. Najprawdopodobniej sworzeń.
Ja swój silniczek wyjąłem, rozebrałem, cały przesmarowałem i zaczął chodzić.
Choć widzę, że chyba znów go bierze.
skorzystam z rady Roberta.
[o]Piękno nie zna ceny.[/o]
-
kwiatek8902
- Posty: 109
- Rejestracja: 2010-01-06 12:13
- Samochód: ford probe 2,2 GT 1991r.
- Galeria: viewtopic.php?t=17158
- Lokalizacja: świecie
- Kontakt:
Re: Problem z lampami!!!
widze ze nie jestem sam z tym problemem, no własnie tym pokretłem pod silniczkiem tez probowałem krecic ale sie w pewnym momencie zacina i strasznie ciezko idze az mi siły w pacach brakuje zeby to ruszyc, a co do przycisniecia reki przez lampe to tez znam ten bul, jak miałem gl to z ciekawosci chciałem sprawdzic co to za białe pokretło pod silniczkiem i zamiast pokrecic nim od doło to wsadziłem reke zaraz koło lamy i mi ktores ciegno 2 palce rozwaliło straszny bol
i nie mogłem reki z tamtad wydostac masakra
a z tym silniczkiem chyba poczakam do wiosny bo narazie nie ma warunkow do tego typu zabiegow
i lampy beda podniesione poki co pozdrawiam!! 
probe 2,2 gl USA 1989 był.. jest probe 2,2GT euro 1991 GG-13529377
-
adrian_seki
- Posty: 911
- Rejestracja: 2009-05-21 22:31
- Samochód: Ford Probe I GT 2,2T 12V 92r
- Galeria: viewtopic.php?t=16334
- Lokalizacja: Konin (WLKP)
Re: Problem z lampami!!!
Ja wyczyściłem wszystko szczotką drucianą do wiertarki sporo odrdzewiacza wirnik pryśniety splay i wszystko w nasparowane - Lampy chodzą idealnie na dworze potężne mrozy zamarza wkładka w drzwiach płyn od spryskiwaczy klamki i drzwi a lampy pięknie sie podnoszą zero plroblemu i nawet równo w góre idą - Polecam - wykręć silniki i do domu robić cały dzień grzebania ale warto
Wszystko jest opisane w temacie śpioch i zdjecia jak sie to k..[o][ciach][/o] rozbiera....
Pozdro bo zimno
Wszystko jest opisane w temacie śpioch i zdjecia jak sie to k..[o][ciach][/o] rozbiera....
Pozdro bo zimno
-
luki2006
- Posty: 247
- Rejestracja: 2010-12-03 19:21
- Samochód: FORD PROBE 2.2GT 92
- Lokalizacja: Szczecin
Re: Problem z lampami!!!
witam. koleszko proponuje o wykrecenie silownikow i zrobienie, bo ja mialem przypadek ze przez to, ze byla wlasnie taka sama sytuacja jak u ciebie, bezpiecznik nie strzelil, one sie grzaly i cala listwa kabli co idzie pod listwa ta co masz przykrecona chlodnice zjarala sie,(potopily,posklejaly sie inne kable) stopily sie kable i wszystko chodzilo na raz, wycieraczki kierunki sie palily, klakson non-stop wlaczony i takie tam
.kabelki potopily sie w wiazsce az do skrzynki pod kierownica. jak zaczelem rozbierac to poprostu zalamka
a wszystko moja wina bo wiedzialem ze cos z nimi nie tak
dlatego proponuje ci zrobienie tego zanim bedzie za pozno..pozdro
najszybszy smakosz piwa, zwycięzca Biegu o kufel-Niechorze 2011