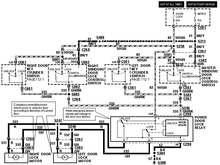
Podsumowując: nic (oprócz kluczyka w tymże zamku) nie otwiera Ci lewego zamka, a prawy działa również zdalnie. Czyli do S247 i S248 dochodzi prąd, a przerwa jest gdzieś dalej, pomiędzy tym złączem a lewym silniczkiem (pewnie wypięta któraś z kostek C267 albo C505, ew. przecięte kable czrwony lub zielony na tym odcinku, ale kostki sprawdzisz szybciej).
Dodatkowo nie działa
unlock z lewego kluczyka - tu sygnał idzie jednym kablem, więc teoretycznie wszystko podpięte, ale na otwieranie idzie mniejsze napięcie, więc dla porządku możesz sprawdzić wtyczkę C501 (rozepnij, oczyść, psiknij jakimś polepszaczem połączeń i zepnij z powrotem), ale raczej problem w niestykaniu pozycji otwartej w cylinderku - albo wyregulujesz, albo wymienisz (albo zamienisz stronami kierowca / pasażer).

- lewy cylinderek.gif (2.6 KiB) Przejrzano 9082 razy
Nie mam fotki, jak to wygląda w realu.